Richtlinie BIM-Modellierung Ausgabe September 2024

Allgemeines

Elemente sind in ihrer Form und Lage richtig darzustellen unter Beachtung, dass die kleinsten Elemente, aus technischen Gründen, nicht weniger als 1mm betragen sollen. Mehrschichtige Elemente müssen so exportiert werden, dass die einzelnen Schichten auswertbar sind. Bei Verschneidungen ist besonders auf die konstruktive Realität zu achten. Alle vorhandenen Informationen müssen dem aktuellen Wissenstand des Projektes entsprechen und qualitätsgesichert sein. Zusammenhängende Elemente sollen über Informationen gekennzeichnet sein (z.B. unterteilte Geschossdecke). Dehnfugen müssen dargestellt werden.

Mustermodell: Gesamt.zip

Rohbau - Modellierungsvorgaben

Balkon/Loggia

Klassifizierung:

IFC-Entität: IfcSlab
PredefinedType: USERDEFINED
ObjectType: Balkon oder Loggia
Mustermodell: Balkon_Loggia.zip

ÖNORM A 6241-2 Bauelementklasse: Primäres Bauelement

DETAILLIERUNG:

  • Unterschiedliche Deckenstärken werden getrennt, als separate Modellelemente, dargestellt.
  • Statisch relevante Durchbrüche und Aussparungen werden dargestellt.
  • Gefälle sind darzustellen.
Baumassenkörper

Klassifizierung:

IFC-Entität: IfcBuildingElementProxy
PredefinedType: USERDEFINED
ObjectType: USERDEFINDED
Mustermodell: Baumassenkörper.zip

ÖNORM A 6241-2 Bauelementklasse: Dokumentationselemente

DETAILLIERUNG:

  • Ein Baumassenmodell wird als geschlossener Volumenkörper durch die Außenseite der gebäudebegrenzenden Modellelemente (Außenkante Fassade) definiert.
  • Ein Baumassenmodell ist normgerecht und geschossweise zu untergliedern (ÖNORM B 1800 & ÖNORM B 1800 BB1 - BGF a, BGF b, BGF c, BRI a, BRI b, BRI c).
  • Folgende Bauwerksteile sollten gesondert darzustellen. In einer konzeptionellen Phase sind adäquate Höhen zu dimensionieren.
    • Fundamentunterbau
    • Aufzugsgrube
    • Attika ü. Fußbodenaufbau
  • Stellplätze und Doppelparker sind gesondert darzustellen.
Bodenplatte

Klassifizierung:

IFC-Entität: IfcSlab
PredefinedType: BASELAB
Mustermodell: Bodenplatte.zip

ÖNORM A 6241-2 Bauelementklasse: Primäres Bauelement

DETAILLIERUNG:

  • Bodenplatten werden als separates Element dargestellt.
  • Unterschiedliche Dicken werden getrennt, als separate Modellelemente, betrachtet.
  • Vouten sind als separates Element darzustellen.
  • Statisch relevante Durchbrüche und Aussparungen werden dargestellt. Sauberkeitsschicht, Dämmung, Mager-, Schutz- oder Füllbeton müssen, Gleit- und Trennschichten können separat dargestellt werden.
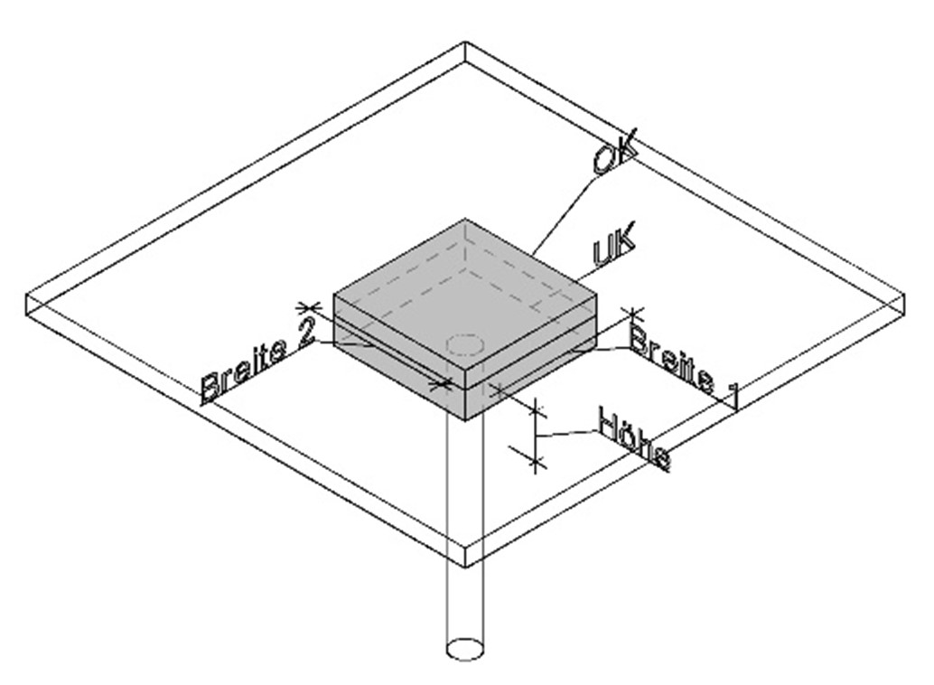
Deckenpilz

Klassifizierung:

IFC-Entität: IfcSlab
PredefinedType: USERDEFINED
ObjectType: Deckenpilz
Mustermodell: Deckenpilz.zip

ÖNORM A 6241-2 Bauelementklasse: Primäres Bauelement

DETAILLIERUNG:

  • Deckenpilze sind als eigenständige Elemente zu modellieren.
  • Die Pilzsstärke geht von UK Pilz bis OKRD.
Deckensprung

Klassifizierung:

IFC-Entität: IfcWall
PredefinedType: USERDEFINED
ObjectType: Deckensprung
Mustermodell: Deckensprung.zip

ÖNORM A 6241-2 Bauelementklasse: Primäres Bauelement

DETAILLIERUNG:

  • Nicht verschnittene Deckensprünge sind separat darzustellen.
Durchbruch/Schlitz

Klassifizierung:

IFC-Entität: IfcOpeningElement
PredefinedType: OPENING
PredefinedType(Schlitz): RECESS
Mustermodell: Deckendurchbruch.zip

DETAILLIERUNG:

  • Durchbrüche sind als tatsächliche Öffnung darzustellen.
  • Öffnungselemente sind nicht notwendig.
Fundament

Klassifizierung:

IFC-Entität: IfcFooting
PredefinedType(Punktfundament): PAD_FOOTING
PredefinedType(Streifenfundament): STRIP_FOOTING
Mustermodell: Fundament.zip

ÖNORM A 6241-2 Bauelementklasse: Sekundäres Bauelement

DETAILLIERUNG:

  • Streifen- und Einzelfundamente werden separat dargestellt.
Geschossdecke

Klassifizierung:

IFC-Entität: IfcSlab
PredefinedType: FLOOR
Mustermodell: Geschossdecke.zip

ÖNORM A 6241-2 Bauelementklasse: Primäres Bauelement

DETAILLIERUNG:

  • Modellelemente mit unterschiedlichen Deckenstärken oder Unterstellungshöhen werden getrennt dargestellt.
  • Die tragende Schicht des Deckenelements und die Gefälleausbildung der Oberfläche werden dargestellt.
  • Loggien, die nicht thermisch getrennt sind, können als Teil der angrenzenden Geschoßdecke dargestellt werden.
Innenausbauwand/Vorsatzschalen

Klassifizierung:

IFC-Entität: IfcWall
PredefinedType(Trennwand): PARTITIONING
PredefinedType(Vorsatzschale): PLUMBINGWALL
Mustermodell: Innenausbauwand_Vorsatzschalen.zip

ÖNORM A 6241-2 Bauelementklasse: Primäres Bauelement

DETAILLIERUNG:

  • Innenausbauwände sollen als ein Element oder zusammenhängender Schichtaufbau dargestellt werden.
  • Sofern softwaretechnisch möglich ist eine Verschneidung auf Gehrung vorzusehen. Ist dies nicht möglich ist ein stumpfer Anschluss vorzusehen.
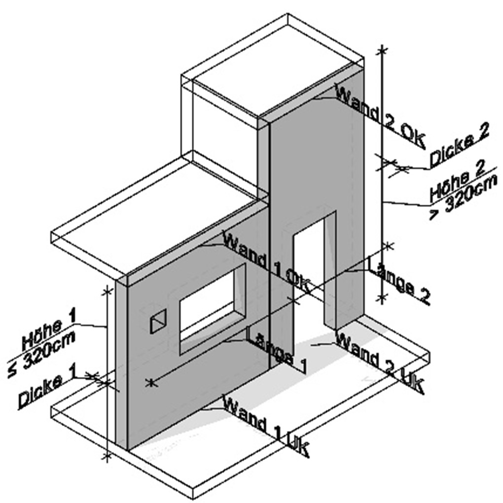
Massive Wand

Klassifizierung:

IFC-Entität: IfcWall
PredefinedType(Wand): SOLIDWALL
PredefinedType(Brüstung): PARAPET

ÖNORM A 6241-2 Bauelementklasse: Primäres Bauelement

DETAILLIERUNG:

  • Geschosshohe, tragende Wände müssen einen Kontakt zu darunter- und darüberliegenden Elementen aufweisen.
  • Statisch relevante und koordinierte Durchbrüche werden dargestellt.
  • Rohbau-, Ausbau- und Fassadenelemente müssen getrennt exportiert werden.
  • Gebogene Wände dürfen nicht durch gerade Wandelemente abstrahiert werden und müssen separat dargestellt werden.
  • Die dickere Wand geht durch, die dünnere Wand stößt daran an.
  • Wände mit verlaufender Höhe sind als ein Element zu betrachten.
  • Wände mit unterschiedlicher Höhe werden getrennt dargestellt.
Rampe

Klassifizierung(Wand):

IFC-Entität: IfcRamp
PredefinedType: je nach Ausführung

ÖNORM A 6241-2 Bauelementklasse: Erschließungselement

DETAILLIERUNG:

  • Die Rampe ist als separates Element darzustellen.
Sargdeckel

Klassifizierung:

IFC-Entität: IfcSlab
PredefinedType: ROOF
Mustermodell: Sargdeckel.zip

ÖNORM A 6241-2 Bauelementklasse: Primäres Bauelement

DETAILLIERUNG:

  • Vertikale, horizontale und geneigte Elemente müssen separat dargestellt werden.
  • Der nichttragende Aufbau kann durch getrennte Schichten oder mehrschichtig dargestellt werden.
Steildach

Klassifizierung:

IFC-Entität: IfcRoof
PredefinedType: je Dachform
Mustermodell: Steildach.zip

ÖNORM A 6241-2 Bauelementklasse: Primäres Bauelement

DETAILLIERUNG:

  • Der nichttragende Aufbau kann durch getrennte Schichten oder mehrschichtig dargestellt werden.
  • Die tragende Konstruktion sollte entsprechend der geplanten Ausführung dargestellt werden.
Stütze

Klassifizierung:

IFC-Entität: IfcColumn
PredefinedType: COLUMN
Mustermodell: Stütze.zip

ÖNORM A 6241-2 Bauelementklasse: Sekundäres Bauelement

DETAILLIERUNG:

  • Für Stützen mit gleichbleibendem Querschnitt gilt: die größere Abmessung darf das Vierfache der kleineren Abmessung nicht überschreiten. Beispiel:
    • 20/80 Stütze
    • 20/100 Wand
  • Wandlisenen müssen ein eigenes geometrisches Objekt sein.
Thermisches Trennelement

Klassifizierung:

IFC-Entität: IfcBuildingElementProxy
PredefinedType: USERDEFINED
ObjectType: Thermisches Trennelement
Mustermodell: Thermisches_Trennelement.zip

ÖNORM A 6241-2 Bauelementklasse: Primäres Bauelement

DETAILLIERUNG:

  • Die thermische Trennung ist als separates Element darzustellen.
  • Die Darstellung von Bewehrung ist nicht notwendig.
  • Die thermischen Trennelemente sind so darzustellen, dass die Länge der einzelnen Richtungsabschnitte auswertbar ist.
Tiefgründung

Klassifizierung:

IFC-Entität: IfcPile
PredefinedType: je nach Verfahren
ConstructionType: je nach Konstruktion
Mustermodell: Tiefgründung.zip

ÖNORM A 6241-2 Bauelementklasse: Sekundäres Bauelement

DETAILLIERUNG:

  • Tiefengründungen werden als separate Elemente behandelt.
  • Pfähle erstrecken sich bis zur planmäßigen Pfahloberkante.
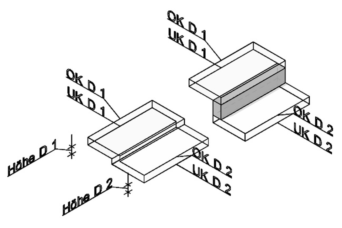
Träger

Klassifizierung:

IFC-Entität: IfcBeam
PredefinedType(Träger): BEAM
Mustermodell: Träger.zip

ÖNORM A 6241-2 Bauelementklasse: Sekundäres Bauelement

DETAILLIERUNG:

  • Unterzüge werden nach oben durch die Rohdeckenunterkante (RDUK) begrenzt.
  • Überzüge werden nach unten durch die Rohdeckenoberkante (RDOK) begrenzt.
Treppe

Klassifizierung:

Stiegenlauf:
IFC-Entität: IfcStair
PredefinedType: je Ausführung
Mustermodell: Treppe.zip

Podest:
IFC-Entität: IfcSlab
PredefinedType: LANDING

ÖNORM A 6241-2 Bauelementklasse: Erschließungselemente

DETAILLIERUNG:

  • Treppen, Podeste und Beläge sind jeweils separat darzustellen.

Ausbau - Modellierungsvorgaben

Abhangdecke

Klassifizierung:

IFC-Entität: IfcCovering
PredefinedType: CEILING
Mustermodell: Abgehängtedecke.zip

ÖNORM A 6241-2 Bauelementklasse: Primäres Bauelement

DETAILLIERUNG:

  • Abhangdecken (Untersicht) und Schürzen werden als separate Elemente dargestellt.
  • Der Aufbau kann ein- oder mehrschichtig dargestellt werden.
  • Hohlräume sind Bestandteil des Aufbaus.
Einrichtung(Sanitär)

Klassifizierung:

IFC-Entität: IfcSanitaryTerminal
PredefinedType: je Objekttyp
Mustermodell: Einrichtung_Sanitär.zip

ÖNORM A 6241-2 Bauelementklasse: Elementklasse 2

DETAILLIERUNG:

  • Badewannen und Duschtassen werden mit den exakten Außenabmessungen dargestellt.
  • Eine schematische Darstellung (Volumenkörper) ist ausreichend.
  • Sanitärelemente müssen einen Kontakt mit anschließenden Elementen aufweisen.
  • Gemeint sind WC, Waschbecken, Küche, Badewanne, Duschtasse.
Fenster/Fenstertür/Lichtkuppel

Klassifizierung:

IFC-Entität: IfcWindow
PredefinedType(Fenster, Fenstertüre): WINDOW
PredefinedType(Dachflächenfenster): SKYLIGHT
PredefinedType(Lichtkuppel): LIGHTDOME
Mustermodell: Fenster_Tür_Lichtkuppel.zip

ÖNORM A 6241-2 Bauelementklasse: Verbundelemente

DETAILLIERUNG:

  • Fenster, Fenstertüren oder Lichtkuppeln müssen als ein gesamtes Element dargestellt werden.
  • Rohbau- und Architekturlichten von Öffnungen sind geometrisch korrekt darzustellen.
  • Die Überdämmung für Außenfenster müssen in der korrekten Stärke dargestellt sein.
  • Lichtkuppeln und Aufsatzkranz müssen separat dargestellt werden.
Flachdachaufbau

Klassifizierung:

IFC-Entität: IfcCovering
PredefinedType: ROOFING
Mustermodell: Flachdachaufbau.zip

ÖNORM A 6241-2 Bauelementklasse: Primäres Bauelement

DETAILLIERUNG:

  • Der Aufbau kann ein- oder mehrschichtig dargestellt werden.
  • Hinterlüftungsebenen sind Bestandteil des Aufbaus.
  • Gefälleausbildungen sind darzustellen.
  • Dachabläufe, Notüberläufe und Entwässerungsrinnen werden als separates Element dargestellt.
Fußbodenaufbau

Klassifizierung:

IFC-Entität: IfcCovering
PredefinedType: FLOORING
Mustermodell: Fußbodenaufbau.zip

ÖNORM A 6241-2 Bauelementklasse: Primäres Bauelement

DETAILLIERUNG:

  • Fußbodenaufbauten, Dämmungen müssen als separates Element dargestellt werden.
  • Der Aufbau kann ein- oder mehrschichtig dargestellt werden.
  • Hohlräume sind Bestandteil des Aufbaus.
  • Gefälleausbildungen sind darzustellen.
  • Türennischen sind darzustellen (Aufgehrichtung von Tür).
Geländer/Handlauf

Klassifizierung:

IFC-Entität: IfcRailing
PredefinedType(Handlauf): HANDRAIL
PredefinedType(Treppengeländer): GUARDRAIL
Mustermodell: Geländer_Handlauf.zip

ÖNORM A 6241-2 Bauelementklasse: Erschließungselemente

DETAILLIERUNG:

  • Geländer und Handläufe werden als separate Elemente dargestellt. Die Außenabmessungen sind maßgeblich. Detailliertere Anforderungen an die Ausführung sind als Merkmal zu hinterlegen.
  • Bei Geländern ist die Ansichtsfläche und bei Handläufen die Länge der Geometrie wesentlich.
  • Befestigungspunkte sind nicht erforderlich.
Innenraum

Klassifizierung:

IFC-Entität: IfcSpace
PredefinedType: SPACE

ÖNORM A 6241-2 Bauelementklasse: Dokumentationselemente

DETAILLIERUNG:

  • Räume werden durch die Geometrien der raumbegrenzenden Modellelemente erstellt.
  • Der horizontale und vertikale Kontakt mit den umschließenden Elementen ist sicherzustellen.
  • Räume erstrecken sich von der Fußbodenoberkante (FBOK) bis zur UK Abhangdecke.
  • In Schächten mit einer Grundrissfläche größer 1m2 sind Räume zu verwenden.
  • Die Vorgaben der ÖNORM B1800 & ÖNORM B 1800 BB1 sind zu berücksichtigen.
Kellerdeckendämmung

Klassifizierung:

IFC-Entität: IfcCovering
PredefinedType: INSULATION

ÖNORM A 6241-2 Bauelementklasse: Primäres Bauelement

DETAILLIERUNG:

  • Die Kellerdeckendämmung ist als separates Element darzustellen.
Pfosten-Riegel Fassade

Klassifizierung:

IFC-Entität: IfcCurtainWall
PredefinedType: USERDEFINED
ObjectType: Pfosten Riegel Fassade

ÖNORM A 6241-2 Bauelementklasse: Primäres Bauelement

DETAILLIERUNG:

  • Die Darstellung der Pfostenriegel Fassade ist in Form eines einschichtigen Elementes ausreichend.
Portal

Klassifizierung Wand:

IFC-Entität: IfcCurtainWall
PredefinedType: USERDEFINED
ObjectType: Portal

ÖNORM A 6241-2 Bauelementklasse: Primäres Bauelement

Klassifizierung Tür:

IFC-Entität: IfcDoor
PredefinedType: USERDEFINED
ObjectType: Portal
Mustermodell: Tür.zip

ÖNORM A 6241-2 Bauelementklasse: Verbundelemente

DETAILLIERUNG:

  • Die Portalwand und die Tür sind als separate Elemente darzustellen.
Tür/Tor

Klassifizierung:

IFC-Entität: IfcDoor
PredefinedType(Tür): DOOR
PredefinedType(Tor): GATE
Mustermodell: Tür.zip

ÖNORM A 6241-2 Bauelementklasse: Verbundelemente

DETAILLIERUNG:

  • Türen inkl. Zargen und Tore werden als separates Element dargestellt.
  • Rohbaulichten sind geometrisch korrekt darzustellen.
Vorsatzschale

Klassifizierung:

IFC-Entität: IfcWall
PredefinedType: PLUMBINGWALL

ÖNORM A 6241-2 Bauelementklasse: Primäres Bauelement

DETAILLIERUNG:

  • Die Vorsatzschale ist als separates Element darzustellen.
  • Sofern softwaretechnisch möglich ist eine Verschneidung auf Gehrung vorzusehen. Ist dies nicht möglich ist ein stumpfer Anschluss vorzusehen.
WDVS Fassade

Klassifizierung:

IFC-Entität: IfcCovering
PredefinedType: INSULATION
Mustermodell: Fassade.zip

ÖNORM A 6241-2 Bauelementklasse: Primäres Bauelement

DETAILLIERUNG:

  • Sofern softwaretechnisch möglich ist eine Verschneidung auf Gehrung vorzusehen. Ist dies nicht möglich ist ein stumpfer Anschluss vorzusehen.
  • Der Aufbau kann durch getrennte Schichten oder mehrschichtig dargestellt werden.
  • Die Fassade ist über die Länge der XPS-Ausbildung im Spritzwasserbereich als separates Element darzustellen.